HOME l SITEMAP l CONTACT US
 
 
 
 
 
 
 
 
 
   
 
 
 
   
 
 
   
 
 
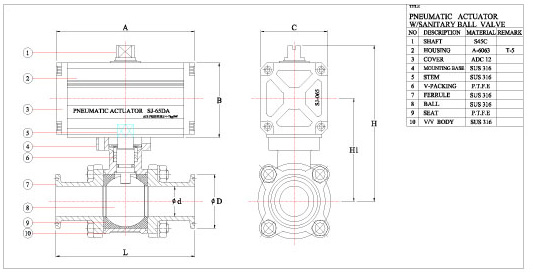
DIMENSION UNIT : mm

VLAVE SIZE ISO 5211 ACTUATOR A B C L ¥õd ¥õD H1 H
inch mm
1/2" 15A F03/F04 SJ-50DA 122 67 68 110 9.5 25.4 73 126.5
3/4" 20A F03/F04 SJ-50DA 122 67 68 129 15.9 25.4 75 128.5
1" 25A F04/F05 SJ-65DA 166 84 80 124 22.2 50.4 97.5 158.5
1-1/2" 40A F05/F07 SJ-65DA 166 84 80 141 35 50.4 113.5 174.5
2" 50A F05/F07 SJ-80DA 230 108 100 162 47.6 63.9 134 206.5
2-1/2" 65A F07/F10 SJ-80DA 230 108 100 197 60.3 77.5 148 220.5