HOME l SITEMAP l CONTACT US
 
 
 
 
 
 
 
 
 
 
 
 
 
 
 
 
 
   
 
 
 
   
 
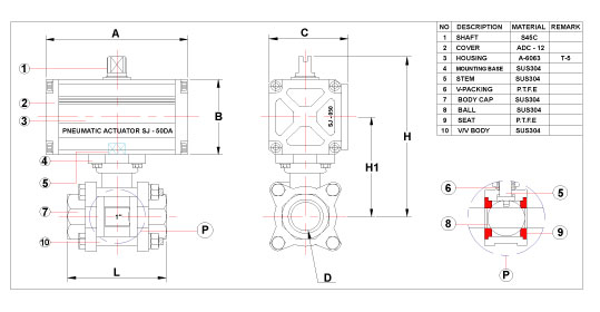
ACTUATOR : DOUBLE ACTING
BODY PRESS : 10kgf/cm©÷
TEMP : MAX 100¡É(P.T.F.E)
....................MAX 180¡É(CARBON TEFLON)
AIR PRESSURE : 4~7kgf/cm©÷
   
 
DIMENSION UNIT : mm

VLAVE SIZE ACTUATOR A B C D L H1 H
inch mm
1/4" 8A

SJ-40DA

99

52

58

8

60 62 100
3/8" 10A

SJ-40DA

99

52

58

10

60 62 100
1/2" 15A SJ-50DA 122 67 68 15 72 75.5 129
3/4" 20A SJ-50DA 122 67 68 20 80 81.5 135
1" 25A SJ-50DA 122 67 68 25 85 88.5 142
1-1/4" 32A SJ-65DA 166 86 80 32 105 105 166
1-1/2" 40A SJ-65DA 166 86 80 40 113 115 176
2" 50A SJ-65DA 166 86 80 50 132 130 191