|
|
|
|
|
|
|
|
|
|
|
|
|
|
| |
|
|
| |
| |
 |
 |
| |
|
| |
|
|
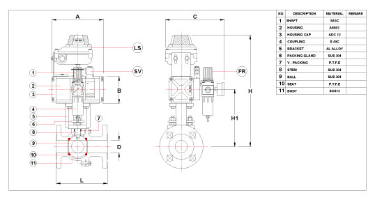
ACCESSORIES |
| |
SV : SOLENOID
VALVE |
| |
FR : AIR SET |
| |
LS : LIMIT SWITCH
BOX |
|
| |
|
DIMENSION
|
UNIT
: mm |
|

|
|

|
| VALVE SIZE |
ACTUATOR
|
A
|
B
|
C
|
D
|
L |
H1 |
H |
| inch
|
mm |
| 1/2" |
15A |
SJ-50DA
|
122 |
67 |
182 |
15 |
108 |
138 |
300 |
| 3/4" |
20A |
SJ-50DA
|
122 |
67 |
182 |
20 |
117 |
143 |
305 |
| 1" |
25A |
SJ-50DA
|
122 |
67 |
182 |
25 |
127 |
149 |
311 |
| 1-1/4" |
32A |
SJ-65DA |
166 |
86 |
191 |
32 |
140 |
172 |
334 |
| 1-1/2" |
40A |
SJ-65DA |
166 |
86 |
191 |
40 |
165 |
184 |
355 |
| 2" |
50A |
SJ-65DA |
166 |
86 |
191 |
50 |
178 |
195 |
366 |
| 2-1/2" |
65A |
SJ-80DA |
230 |
108 |
201 |
65 |
190 |
218 |
400 |
| 3" |
80A |
SJ-80DA |
230 |
108 |
201 |
80 |
203 |
240 |
422 |
| 4" |
100A |
SJ-100DA |
290 |
129 |
211 |
100 |
229 |
263 |
455 |
|
|

|
 |
|
|
| |
 |
| |
|
|
|
|
|
|
|