HOME l SITEMAP l CONTACT US
 
 
 
 
 
 
 
 
 
 
 
 
 
 
 
 
 
   
 
 
 
   
 
 
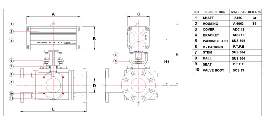
DIMENSION UNIT : mm

VLAVE SIZE ACTUATOR A B C D L H1 H2
inch mm
1/2" 15A SJ-65DA 166 86 80 15 160 170 231
3/4" 20A SJ-65DA 166 86 80 20 160 170 231
1" 25A SJ-65DA 166 86 80 25 200 173.5 234.5
1-1/4" 32A SJ-80DA 200 108 100 32 240 191.5 252.5
1-1/2" 40A SJ-80DA 200 108 100 40 240 203.5 276
2" 50A SJ-80DA 200 108 100 50 260 211.5 284
2-1/2" 65A SJ-100DA 290 129 120 65 320 231.5 302
3" 80A SJ-100DA 290 129 120 80 360 260 340.5

 
DIRECTION OF FLOW
 
DIRECTION OF FLOW
TYPE : GENERAL PURPOSE FLANGED 3WAY BALL VALVE
RATING & CONNECTION : 10K/20K(150LB/300LB)FLANGE
TEMPERATURE : -15¡É~120¡É(PTFE VIRGIN)/-15¡É~230¡É(GRAPHITE)
ACTUTOR PRESSURE : 4~7kg/cm©÷
MATERIAL : ¨ç BODY-SCPH2(A216,WCB)/SCS13(A351Gr, CF8)/SCS14
  ¨è BALL-SUS304, SUS316, SUS316L
  ¨é STEM-304SS, 316SS
  ¨ê SEAT-PTFE, RTFE, CARBON, PEEK