HOME l SITEMAP l CONTACT US
 
 
 
 
 
 
 
 
 
 
 
 
 
 
 
 
 
   
 
 
 
   
 
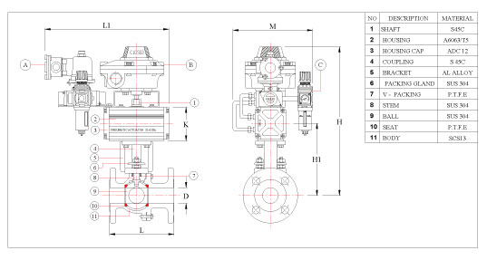
ACCESSORIES
  A : SOLENOID VALVE(d2G4)
  B : LIMIT SWITCH BOX(d2G4)
  C : FILTER REGULATOR
   
 
DIMENSION UNIT : mm

VALVE SIZE

ACTUATOR

L1

K

L

D

M H1 H
inch mm
1/2" 15A

SJ-50DA

300

67

108

15

191.5 138 327
3/4" 20A SJ-50DA 300 67 117 20 191.5 143 332
1" 25A SJ-50DA 300 67 127 25 191.5 149 338
1-1/4" 32A SJ-65DA 318 86 140 32 191.5 172 361
1-1/2" 40A SJ-65DA 318 86 165 40 200 184 379
2" 50A SJ-65DA 318 86 178 50 200 195 390
2-1/2" 65A SJ-80DA 356 108 190 65 210 218 424
3" 80A SJ-80DA 356 108 203 80 210 240 446
4" 100A SJ-100DA 384 129 229 100 220 265 480

 
 
 
Tü