HOME l SITEMAP l CONTACT US
 
 
 
 
 
 
 
 
 
 
 
 
 
 
 
 
 
   
 
 
 
   
 
VALVE SIZE 15A~200A
END CONNECTION JIS/ANSI
TEMPERATURE 80¡É 180¡É
FIELD OF USE W.A.O.G STEAM
ACTUATOR 4~7 BAR
TYPE RACK & PINION
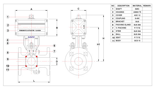
MATERIALS BODY SCS13/SCS14
SEAT PTFE/CARBON TEFLON
BALL SUS304/SUS316
   
 
DIMENSION UNIT : mm

VLAVE SIZE ACTUATOR A B C D L(10k) L(20k) H1 H2
inch mm
1/2" 15A SJ-50DA 122 67 68 15 108 140 138 190
3/4" 20A SJ-50DA 122 67 68 20 117 152 143 195
1" 25A SJ-50DA 122 67 68 25 127 165 149 201
1-1/4" 32A SJ-65DA 166 86 80 32 140 178 172 233
1-1/2" 40A SJ-65DA 166 86 80 40 165 190 184 245
2" 50A SJ-65DA 166 86 80 50 178 216 195 256
2 -1/2" 65A SJ-80DA 230 108 100 65 190 241 218 290
3" 80A SJ-80DA 230 108 100 80 203 283 240 312
4" 100A SJ-100DA 290 129 120 100 229 305 265 346

 
 
 
e